At YH hüdraulilineMeie sõbralik müügimeeskond omab teadmisi, kvalifikatsioone ja kogemusi, mis on vajalikud teie terasploki nõuete tuvastamiseks. Meie tööstusliku kvaliteediga terasest adapterid on valmistatud kõige vastupidavamatest materjalidest, mis vastavad tööstusharu standarditele ja teie ootustele. Need on teile kättesaadavad konkurentsivõimelise hinnaga. Kvaliteetsesse tootesse investeerimine säästab aega ja raha teedel asuvate remonditöödega.
Kui olete osa nendest tööstusharudest, võimaldavad meie terasplokid teil lahendada tavapäraseid tehnilisi probleeme ja parandada oma efektiivsust, vähendades samal ajal kulusid. Mõned neist väljakutsetest hõlmavad roostet ja korrosiooni, valesti paigaldatud adaptereid ja võimetust taluda kõrget survet. Kui lülitate meie kõva terasest adapteritele, muutuvad need probleemid ajaloost.
Teraseadapterite ühised turud
Ühisturgudeks on masinaehitus, kaevandamine, metallid ja mineraalid, liikuvad masinad ja seadmed, nafta ja gaas, raudtee, taastuvad energiaallikad ja sõidukid. See kvaliteet on väga soovitav meie kõige tavalisematele terasest adapterite klientidele, mille hulka kuuluvad, kuid ei ole nendega piiratud:
√ Nafta- ja gaasitööstus
√ Meretööstus
√ Tootmistööstus
√ Põllumajandustööstus
√ Ehitustööstus
√ Autotööstus
√ Kaevandustööstus
√ Raudteetööstus
Tehniline informatsioon
Mõned saadaval olevad konfiguratsioonid hõlmavad järgmist:
√ SAE O-rõngas
√ Lõigatud äärik
√ SAE 45 kraadi põletamine
√ SAE 37 kraadi põletamine (JIC)
√ Toru
√ Metric / BSPP / BSPT
Teraseadmete omadused
Ehkki meie terasplokid on äärmiselt vastupidavad kõrgele rõhule, kui kõiki komponente kasutatakse harmooniliselt, ei riku me kunagi tööstusstandardeid. Teie ohutus ja tootlikkus on meie tootmisprotsessis suurim tähelepanu. Et parandada jõudlust, oleme isegi parandanud oma katet, et tagada rohkem korrosioonikindlust kui kunagi varem.
Meie terasplokid on saadaval ka mitmes suuruses. Pakume niidi lõppühendusi, et muuta teie adapter kasutatavamaks kui kunagi varem.
Kompaktne küünarnukk
26791K liitmikud on 90 kraadi JIC naissoost 74 kraadi konksuistme kompaktne küünarnukk. 26791K liitmikud on valmistatud süsinikterasest, mis on sarnane kerge terasega. CNC-masinatega valmistatakse 26791K liitmikud võltsitud. Saame tagada täpse täpsuse, õige tolerantsuse ja sujuva pinnatöötluse.
√ Osa nr: 26791K (90 ° JIC emane 74 ° koonuspaigaga kompaktne küünarnukk)
Read Keermetüübid: BSPT, JIC, BSP (need kolm tüüpi on meie tehases valmistatud standardtooted)
Q MOQ: 300PCS iga üksuse kohta
√ Tarneaeg: umbes 30 päeva.
Kompaktne küünarnukk

Tehniliste andmete tabel
| OSA NR. | THREAD E | HOSE BORE | MÕÕTMED | ||||
| DN | DASH | C | S1 | S2 | H | ||
| 26791K-04-04 | 7/19 "X20 | 6 | 4 | 8.5 | 17 | 11 | 18.2 |
| 26791K-06-04 | 9/16 "X18 | 6 | 4 | 10 | 19 | 14 | 21 |
| 26791K-06-06 | 9/16 "X18 | 10 | 6 | 10 | 19 | 17 | 21.3 |
| 26791K-08-06 | 3/4 "X16 | 10 | 6 | 11 | 24 | 19 | 25 |
| 26791K-08-08 | 3/4 "X16 | 12 | 8 | 11 | 24 | 22 | 25 |
| 26791K-10-08 | 7/8 "X14 | 12 | 8 | 11 | 27 | 22 | 27.5 |
| 26791K-10-10 | 7/8 "X14 | 16 | 10 | 11 | 27 | 22 | 27.5 |
| 26791K-12-12 | 1.1 / 16 "X12 | 20 | 12 | 13.5 | 32 | 27 | 30 |
| 26791K-16-16 | 1,5 / 16 "X12 | 25 | 16 | 14.5 | 41 | 33 | 34.3 |
SS Tube Connector
87612 ühekordsed detailid on SAE äärik 6000PSI spiraalvooliku jaoks nelja juhtme integreeritud liitmikega. 87612-osalised detailid on valmistatud 45-st süsinikterasest, peamiselt YH-hüdraulikas, kuid pressitud korpus on kerge terasega. Täppisprotsessis kasutatakse kõrgtehnoloogiliste juhtimisseadmete abil täiustatud Ferrule krimpimismasinaid.
√ Osa nr: 87612one tükk (SAE äärik 6000PSI spiraalvooliku neljajuhtmelise liitmiku jaoks)
√ Suurused: sobivad ääriku suurustele: 1/2 '' kuni 2 ''; teised palun võtke meiega ühendust
√ Hind: hind on 45 süsinikterasega; teiste materjalide puhul palume eelnevalt meile teada anda.
√ Klemmide tüübid: 00400 (spiraalvoolikute torud)
Ples Proovid: vähem kui 2tk on kvaliteedi kontrollimiseks tasuta.
SS Tube Connector joonis

Tehniliste andmete tabel
| OSA NR. | FLANGE SIZE | HOSE BORE | MÕÕTMED | |||
| DN | DASH | C | D | L | ||
| 87612-08-08on tükk | 1/2" | 12 | 8 | 31.8 | 23.9 | 7.9 |
| 87612-12-12-osaline tükk | 3/4" | 20 | 12 | 41.3 | 31.7 | 8.9 |
| 87612-16-16 tükki | 1" | 25 | 16 | 47.6 | 38 | 9.6 |
| 87612-20-20one tükk | 1.1/4" | 32 | 20 | 54 | 43.6 | 10.4 |
| 87612-24-24-osaline tükk | 1.1/2" | 40 | 24 | 63.5 | 50.8 | 12.7 |
| 87612-32-32 tükki | 2" | 50 | 32 | 79.4 | 66.5 | 12.7 |
Roostevabast terasest hüdraulilised liitmikud
87611 üheosalised detailid on SAE äärik 6000PSI ühe või kahe juhtmega integreeritud liitmikele. Kogused vahemikus 08 kuni 32 osalevad YH tootmisel päevas. 87611 üheosalised liitmikud on 87611 liitmikud, mis on pressitud 00210 või 00110 torudega, mis on kinnitatud kruvikeerajaga. Toodetud on kvaliteetseid materjale, et tagada kvaliteetsed tooted. Üheosalised liitmikud on kõik valmistatud CNC masina poolt, et kontrollida kõrge täpsuse nõudmisi.
√ Osa nr: 87611one (SAE äärik 6000PSI ühe või kahe juhtmega integreeritud paigaldamiseks)
√ Materjal: liitmikud on 45 süsinikterasest; korgid on kerge terasega (20 süsinikterasest)
√ Kinnitusvahendid: 00210 (kahe juhtme põimitud vooliku jaoks); 00110 (ühe traadiga põimitud vooliku torud); 03310 (ühele või kahele traadiga põimitud voolikule mõeldud piirded)
Ples Proovid: vähem kui kaks komplekti on kvaliteedi kontrollimiseks tasuta
Roostevabast terasest hüdraulilised liitmikud
Tehniliste andmete tabel
| OSA NR. | FLANGE SIZE | HOSE BORE | MÕÕTMED | |||
| DN | DASH | C | D | L | ||
| 87611-08-08on tükk | 1/2" | 12 | 8 | 31.8 | 23.9 | 7.9 |
| 87611-12-12 tükk | 3/4" | 20 | 12 | 41.3 | 31.7 | 8.9 |
| 87611-16-16-osaline tükk | 1" | 25 | 16 | 47.6 | 38 | 9.6 |
| 87611-20-20one tükk | 1.1/4" | 32 | 20 | 54 | 43.6 | 10.4 |
| 87611-24-24-osaline tükk | 1.1/2" | 40 | 24 | 63.5 | 50.8 | 12.7 |
| 87611-32-32 tükki | 2" | 50 | 32 | 79.4 | 66.5 | 12.7 |
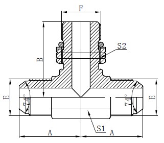
SAE O-rõnga Boss Adapter
AJOJ-OG on JIC-isane 74-kraadine koonus, millel on SAE-rõngaga boss-haru. AJOJ-OG seerial on täielikud suurused tehniliste andmete tabelis, mida kliendid on enamasti teretulnud. YH osales ka muudes niititüüpides ja -suurustes. Ootame Teid, et saata meile eelnevalt kinnitamiseks kirjeldused või pildid.
√ Osa nr .: AJOJ-OG (JIC-isane 74-kraadine koonus / SAE-rõngaga boss-haru tee)
√ tüübid: sirged kahe otsa jaoks; Küünarnukid kahe otsa jaoks; Kolm otsatüüpi
√ Logo: YH; muud kliendi nõutav logo toodetel on vastuvõetavad
√ Kohandatud orienteeritus: YH võib pakkuda OEM-teenust klientide esitatud joonistele või näidistele
Sales Müügijärgne müük: hea kvaliteedi tagamiseks kinnitame klientidele müügijärgset teenindust.
SAE O-rõnga Boss adapteri joonis
Tehniliste andmete tabel
| KOLM | MÕÕTMED | |||||
| OSA NR. | E / G | F | A | B | S1 | S2 |
| AJOJ-04OG | U7 / 16 "X20 | U7 / 16 "X20 | 24.5 | 27.2 | 11 | 17 |
| AJOJ-05OG | U1 / 2 "X20 | U1 / 2 "X20 | 25 | 29 | 14 | 17 |
| AJOJ-05-04-05OG | U1 / 2 "X20 | U7 / 16 "X20 | 25 | 30 | 14 | 17 |
| AJOJ-06OG | U9 / 16 "X18 | U9 / 16 "X18 | 25 | 31.8 | 14 | 19 |
| AJOJ-06-04-06OG | U9 / 16 "X18 | U7 / 16 "X20 | 25 | 30 | 14 | 17 |
| AJOJ-06-05-06OG | U9 / 16 "X18 | U1 / 2 "X20 | 25 | 30 | 14 | 17 |
| AJOJ-08OG | U3 / 4 "X16 | U3 / 4 "X16 | 27.5 | 36.8 | 19 | 24 |
| AJOJ-08-06-08OG | U3 / 4 "X16 | U9 / 16 "X18 | 27.5 | 33.5 | 19 | 19 |
| AJOJ-10OG | U7 / 8 "X14 | U7 / 8 "X14 | 30 | 44 | 22 | 27 |
| AJOJ-10-08-10OG | U7 / 8 "X14 | U3 / 4 "X16 | 30 | 40 | 22 | 24 |
| AJOJ-12OG | U1.1 / 16 "X12 | U1.1 / 16 "X12 | 35 | 51 | 24 | 32 |
| AJOJ-12-08-12OG | U1.1 / 16 "X12 | U3 / 4 "X16 | 35 | 44 | 24 | 24 |
| AJOJ-12-10-12OG | U1.1 / 16 "X12 | U7 / 8 "X14 | 35 | 49 | 24 | 27 |
| AJOJ-16OG | U1.5 / 16 "X12 | U1.5 / 16 "X12 | 43 | 54.5 | 33 | 41 |
| AJOJ-20-16-20OG | U1,5 / 8 "X12 | U1.5 / 16 "X12 | 59 | 59.5 | 44 | 41 |
| AJOJ-20OG | U1,5 / 8 "X12 | U1,5 / 8 "X12 | 59 | 59 | 44 | 50 |
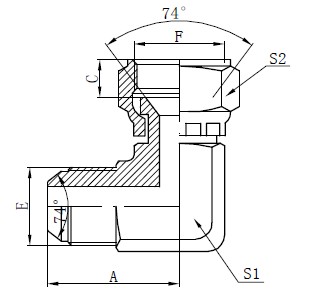
JIC-i lameühendused
2J9 adapteri liitmikud on 90 kraadi JIC isast 37 kraadi koonust JIC 37 kraadi istmele. Täieliku suuruse mõõtmed on toodud allpool tehnilises andmelehel. Adapteriseadmed on valmistatud vastavalt joonistele või klientide erivajadustele. Meie tootmisstandard on võitja, mis on sama mis Eaton.
√ Osa nr: 2J9 (90 ° JIC isane 74 ° koonus JIC-na 74 ° istmega)
Apes Vormid ja sirged on valmistatud nii, nagu iga materjali kompositsiooni järgi, mida soovivad joonised või klientide nõuded.
√ YH liitmikud on toodetud vastavalt SEA, BS, AS, ANSI ja DIN standarditele
√ Saadaval ekstrusiooniks või sepistamiseks
√ Kasutatav terasest, messingist ja alumiiniumist hüdrauliliste torudega, mis on põletatud
√ Pikaajalised kvaliteetsed tooted mõistliku hinnaga
JIC lamedad näoühendused
Tehniliste andmete tabel
| KOLM | MÕÕTMED | |||||
| OSA NR. | E | F | A | C | S1 | S2 |
| 2J9-04 | U7 / 16 "X20 | U7 / 16 "X20 | 24.5 | 8.5 | 11 | 17 |
| 2J9-05 | U1 / 2 "X20 | U1 / 2 "X20 | 24.5 | 9.5 | 11 | 19 |
| 2J9-06 | U9 / 16 "X18 | U9 / 16 "X18 | 29 | 10 | 14 | 19 |
| 2J9-06-08 | U9 / 16 "X18 | U3 / 4 "X16 | 33 | 11 | 19 | 24 |
| 2J9-08-06 | U3 / 4 "X16 | U9 / 16 "X18 | 33 | 10 | 19 | 19 |
| 2J9-08 | U3 / 4 "X16 | U3 / 4 "X16 | 33 | 11 | 19 | 24 |
| 2J9-08-10 | U3 / 4 "X16 | U7 / 8 "X14 | 37 | 11 | 22 | 27 |
| 2J9-10 | U7 / 8 "X14 | U7 / 8 "X14 | 37 | 11 | 22 | 27 |
| 2J9-10-08 | U7 / 8 "X14 | U3 / 4 "X16 | 37 | 11 | 22 | 24 |
| 2J9-10-12 | U7 / 8 "X14 | U1.1 / 16 "X12 | 43 | 13.5 | 27 | 32 |
| 2J9-12 | U1.1 / 16 "X12 | U1.1 / 16 "X12 | 43 | 13.5 | 27 | 32 |
| 2J9-12-10 | U1.1 / 16 "X12 | U7 / 8 "X14 | 43 | 11 | 27 | 27 |
| 2J9-12-16 | U1.1 / 16 "X12 | U1.5 / 16 "X12 | 52 | 14.5 | 33 | 41 |
| 2J9-16 | U1.5 / 16 "X12 | U1.5 / 16 "X12 | 52 | 14.5 | 33 | 41 |
| 2J9-16-20 | U1.5 / 16 "X12 | U1,5 / 8 "X12 | 59 | 15.5 | 44 | 50 |
| 2J9-20-16 | U1,5 / 8 "X12 | U1.5 / 16 "X12 | 59 | 14.5 | 44 | 41 |
| 2J9-20 | U1,5 / 8 "X12 | U1,5 / 8 "X12 | 59 | 15.5 | 44 | 50 |
| 2J9-20-24 | U1,5 / 8 "X12 | U1.7 / 8 "X12 | 61 | 18.5 | 50 | 55 |
| 2J9-24-20 | U1.7 / 8 "X12 | U1,5 / 8 "X12 | 61 | 15.5 | 50 | 50 |
| 2J9-24 | U1.7 / 8 "X12 | U1.7 / 8 "X12 | 61 | 18.5 | 50 | 55 |
| 2J9-32 | U2.1 / 2 "X12 | U2.1 / 2 "X12 | 66 | 24.5 | 65 | 75 |











